使用matlab中的powergui对采集的数据进行谐波分析#实验日记#
从今天开始,准备根据实验的进度,不定时的写一些实验日记,一方面是对自己每天实验内容的总结,方便日后温习,另一方面,也是在这里与大家共享,相互学习,充分发扬互联网的共享精神。也希望大家相互交流,共同进步。
如何使用matlab中的powergui对采集的数据进行谐波分析?
1、simulink找到puwergui和示波器scope模块,加入框图中。
2、scope配置如下图:sampling处选择sample time,勾选save to workspace,给数据命名并选择struct with time。之后点击运行(这一步必须做,不然workspace中看不到序列)
3、2步骤完成后在workspace中会看到产生的数列s和tout。s是一个结构体,其中包含了时间time和信号signals,所以需要在命令窗口分别对其按照结构体方式赋值,所赋的值就是你已经采集回来的数据。这里我的赋值语句为下图。s是采集的数据,s1是示波器产生的数据结构体。
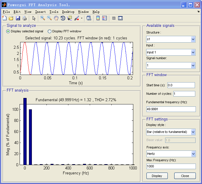
4、然后设置powergui,将其设置为dicrected模式。然后点FFT就出现下图,按下图配置即可。
总结:powergui谐波分析时候需要手动输入基频,所以在对实际电网信号分析时候并不方便,因为自己无法得知采集数据时候电网信号的频率,这样分析会有误差,但是可以作为参考。
声明:该文观点仅代表作者本人,牛骨文系教育信息发布平台,牛骨文仅提供信息存储空间服务。
- 上一篇: 用FFT分析信号,建议自认为懂了的看看
- 下一篇: 【Python】Python读取文件夹下的所有文件
